微型導軌的精度等級分為普通,高,精密三級,那么如何判斷導軌屬于哪一級,就需要知道決定微型導軌精度的參數有哪些?陜西達沃鑫智能裝備有限公司就為你介紹一下這些參數。

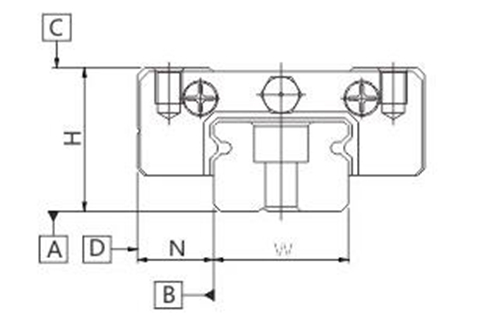
圖:直線導軌精度參數圖
上圖為微型導軌精度的主要參數,我們先來看C和A,C和A指的是滑塊C對導軌A面的行走平行度。我們接著再來看D和B,這兩個參數指的是滑塊D對導軌B面的行走平行度,也就是說A、B、C、D這四個參數指的是行走平行度。那么我們再來看H,H指的是組合高度,其是以滑塊上部基準面中心位置為準,而N則是組合寬度,它是以滑塊側邊基準面中心位置為準。也就是說H和N其實指的是組合高度和寬度。當然除了這六個參數,還有兩個很重要的參數,就是成對高度H的相對誤差和成對寬度N的相對誤差,這是因為很多時候導軌都是成對使用的,因此這兩個參數是非常重要的。
微型導軌又可以分為互換性和非互換線微型導軌,對于互換性線性導軌精度在滑塊組裝于單支滑軌的成對高及寬度精度,這一點和非互換性直線導軌精度是相同的。但如果組裝于不同的滑軌上,因為滑軌高度誤差,它成對高及寬度精度比非互換性直線導軌略低,而行走平行度精度則同非互換性線性導軌的精度。
本文由陜西達沃鑫智能裝備有限公司原創 站點:www.26lw.com 作者:線性導軌生產廠家 發表時間:2022年9月21日09:31:11



